通用導電滑環由彈性材料-電刷、滑動接觸面材料-導電環、絕緣材料、粘接材料、組合支架、精密軸承、防塵罩等組成。電刷由貴金屬合金制成,與導電環槽呈“II”字形對稱雙接觸,通過電刷的彈性壓力與導電環槽滑動接觸來傳遞信號和電流。

主要功能是解決設備360度旋轉時的繞線問題。在電氣設計過程中,電線需要連接到旋轉部件。當機械零件無限制地連續旋轉360度時,會遇到繞線問題。為了確保電流或信號能夠準確地傳輸到旋轉部件,需要一個電旋轉連接器,通常稱為“電滑環”,以傳輸旋轉連接的電力和信號。導電滑環的存在可以大大簡化系統結構,避免旋轉過程中導線的損壞。

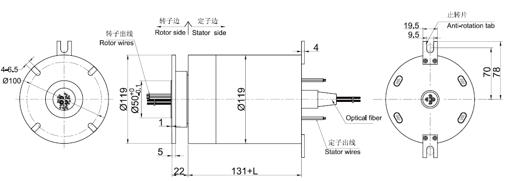
光電滑環是一種光電組合滑環,它結合了光纖滑環和電滑環,可以傳輸大容量數據、電力、中低頻電信號等。滿足機電系統的要求。默孚龍光電滑環通過優化結構將光纖滑環和電滑環結合在一起,結構可靠,保證了光纖滑環和電滑環的同步旋轉。光電滑環可以與其他滑環組合形成多媒體滑環,如光電滑環和光電滑環,從而擴展更多的功能。