工業設備、工業展臺、電氣測試設備、醫療設備、機器人、測試儀器、轉臺、自動化設備等;

| 產品等級選型表 | |||
| 產品等級代號 | 最高轉速 | 工作壽命 | 密封件 |
| VC(通用級) | 100RPM | 1000萬轉 | 國內知名品牌密封件 |
| VD(工業級) | 300RPM | 3000萬轉 | 進口密封件 |
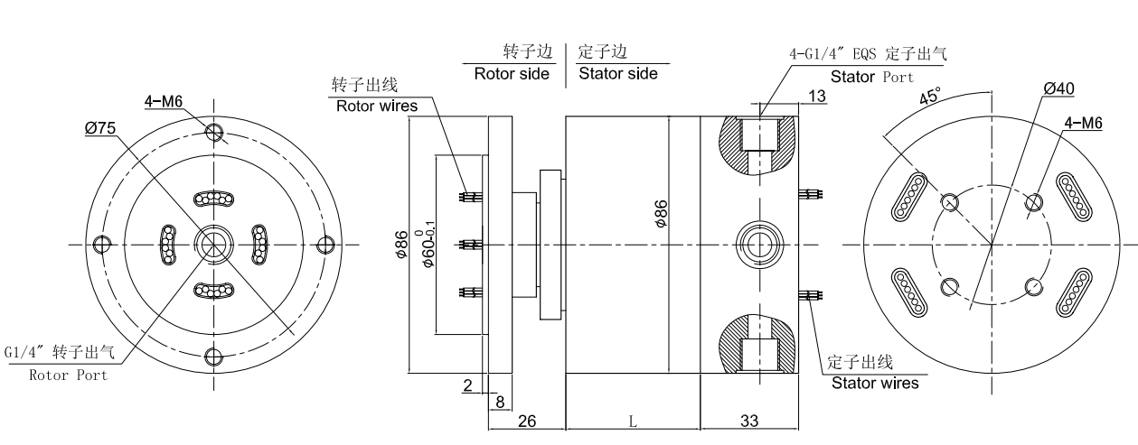
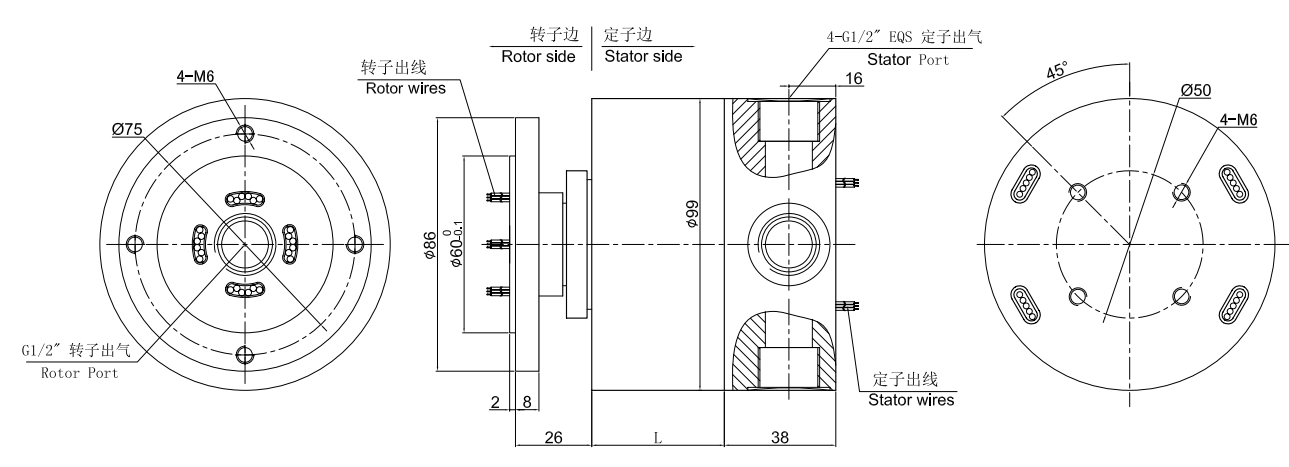
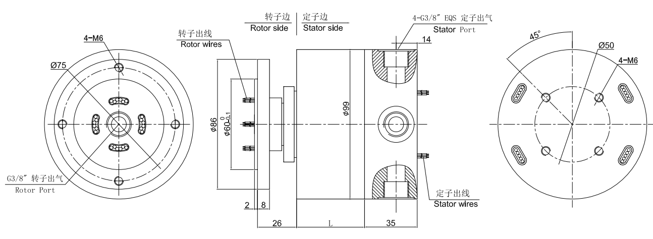
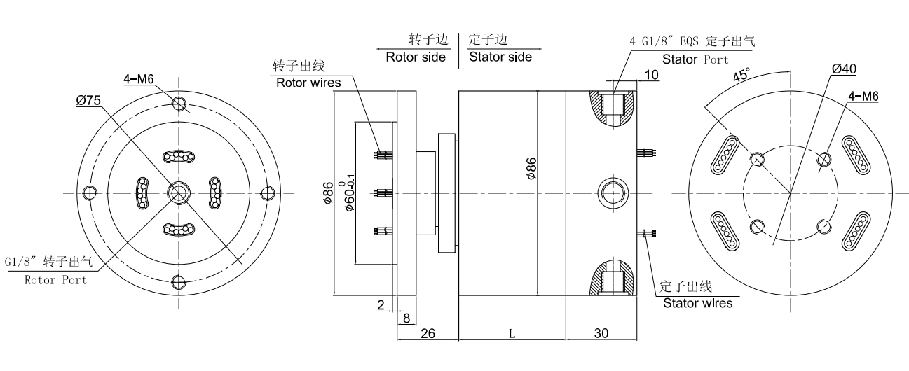
| 技術規格參數 | ||||
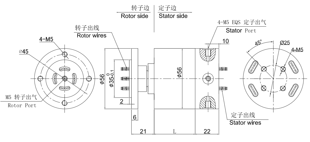
| 旋轉接頭部分技術指標 | 機械技術指標 | |||
| 參數 | 數值 | 參數 | 數值 | |
| 通道數 | 1進4出 | 工作壽命 | 參考產品選型等級 | |
| 最大壓力 | 10MPa (可定制高壓),真空 0.01torr | 額定轉速 | 參考產品選型等級 | |
| 扭矩 | 與接口尺寸相關,詳細咨詢技術 | 工作溫度 | -30℃~80℃ | |
| 電氣技術指標 | 工作濕度 | 0~85% RH | ||
| 參數 | 數值 | 接觸材料 | 貴金屬 | |
| 功率 | 信號 | 殼體材料 | 鋁合金 | |
| 額定電壓 | 0~440VAC/VDC | 0~440VAC/VDC | 防護等級 | IP51 |
| 絕緣電阻 | ≥1000MΩ/500VDC | ≥1000MΩ/500VDC | ||
| 導線規格 | AWG16#鍍錫鐵氟龍/PVC/硅膠 | AWG22#鍍錫鐵氟龍 | ||
| 導線長度 | 標準長度300mm(可據要求調整) | |||
| 絕緣強度 | 500VAC@50Hz,60s | |||
| 動態電阻變化值 | <0.01Ω | |||








經過多年的經驗積累,默孚龍擁有20萬多個產品3D圖檔數據庫,
由于互聯網的開放性和同行競爭,需要產品3D圖檔的客戶請留下電子郵箱或者QQ。
審核完聯系方式后,我們的系統將在5分鐘內把3D自動發動到您的電子郵箱!