光纖/光電滑環是目前工業滑環里面技術難度最高的的一個系列產品,主要應用于360度連續旋轉且需要保證電源,光纖信號不能中斷的場合:如高端機器人、高端物料輸送系統、軍用車輛上的轉動炮塔、遠程控制系統、雷達天線、光纖傳感等轉臺(速率臺)的高速視頻、數字、模擬信號的傳輸和控制、醫療系統、視頻監視系統、保障國家或國際安全系統海底作業系統、緊急照明設備、機器人、展覽/顯示設備、醫療設備等;


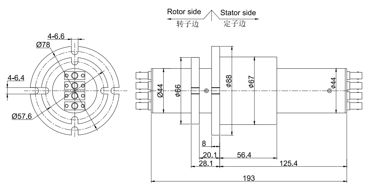
| 技術規格參數 | ||
| 指標名稱 | 類型 | |
| 單模(SM) | 多模(MM) | |
| 帶寬(nm) | ±50 | |
| 最大插入損耗,23℃(dB) | 4 | 3.5 |
| 插入損耗波動(dB) | 2 | 1 |
| 回波損耗(dB) | ≥50(APC) | ≥40(PC) |
| 最大輸入功率(W) | 0.5 | |
| 重量(g) | 200 | |
| 最高轉速(rpm) | 250 | |
| 預估壽命 | >20億轉 | |
| 工作溫度(℃) | -45~85 | |
| 貯存溫度(℃) | -50~85 | |
| 防護等級 | IP54 | |








經過多年的經驗積累,默孚龍擁有20萬多個產品3D圖檔數據庫,
由于互聯網的開放性和同行競爭,需要產品3D圖檔的客戶請留下電子郵箱或者QQ。
審核完聯系方式后,我們的系統將在5分鐘內把3D自動發動到您的電子郵箱!